1.Comply with IEC 62196.3-2014
2. Rated voltage: 1000V
3. Rated current: 200A/250A
4. Meet TUV/CE certification requirements
5. Anti-straight plug dust cover
6. 10000 times of plugging and unplugging cycles, stable temperature rise

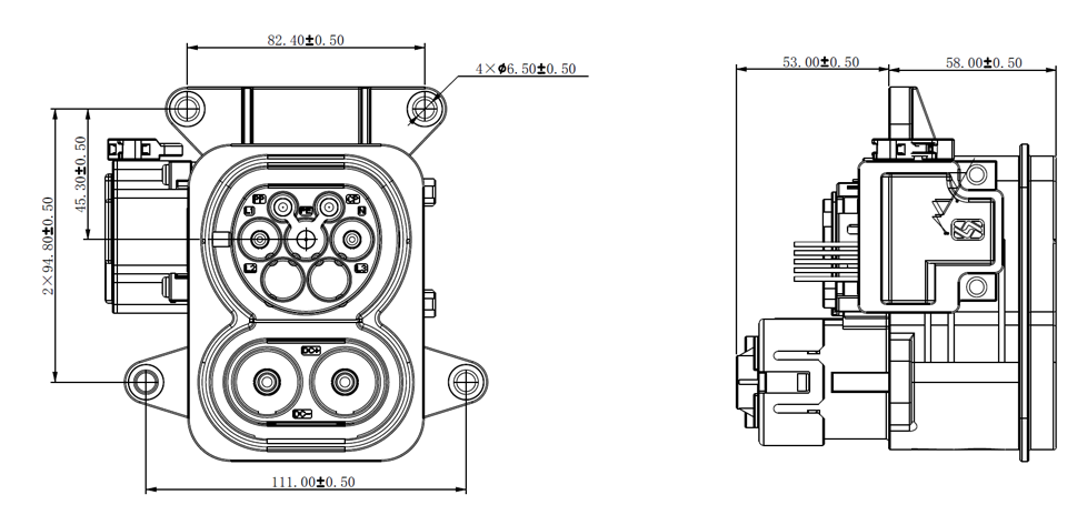
DCNE-CCS2-EV series European standard DC charging socket, installed on electric cars, through the DC charging function, to achieve DC charging function, the product meets IEC 62196.3-2014, complying with ROHS requirements.
200 A 250A DC Fast Charging CE TUV combo 2 EV CCS2 ccs charging socket EV Connector
The universal Combo2 connect vehicle charging inlets allow the AC and DC charging of electric cars and electric utility vehicles –from low charging powers all the way to High Power Charging (HPC). The vehicle charging inlets have been developed for automobile manufacturers and are already being used in the new generations of electric vehicles. These inlets allow the electric vehicle to be charged continuously at a power of 250 kW, and temporarily even up to 500 kW. The portfolio covers the charging standards CCS type 1, CCS type 2, and GB/T, including AC versions.

Temperature sensor model: PT1000, the temperature sensor model can be adjusted according to customer needs
Suggested temperature control: when the temperature reaches 100°C, current limiting treatment is performed, and when the temperature reaches 120°C, charging is stopped.
Allowable working current: 0.3mA max
|
Product Model |
Rated Voltage |
Rated Current |
Application |
| DCNE- CCS2-EV DC Charging Socket | 1000VDC |
200A/250A |
Integrated Charging station |
| Main technical parameters | Brand Name | DCNE- CCS2-EV DC Charging Socket |
| Type | Ev connector | |
| Function | Charging connector | |
| Rated current | DC: 200A, adapt to 70mm² wires; 250A, adapt to 95mm² wires | |
| Rated voltage | DC + \ DC- \ PE hole 1000V, the remaining 30V | |
| Withstand voltage | 3000V AC / 1min. (DC + \ DC- \ PE) | |
| Insulation resistance | ≥ 100mΩ 1000V DC (DC + / DC- / PE) | |
| Mechanical life | Mechanical life | |
| Ambient temperature | -30℃~50℃ | |
| Degree of Protection | IP55(When not mated) IP44(After mated) | |
| Contact parts | Material | Copper alloy |
| Surface treatment | Silver plated | |
| Insulation parts | Material | Thermoplastic |
| Colour | Black | |
| Seals | Material | Silicone rubber |
| Color | Red / Gray / Blue |
An unmatched level of quality and service, We provide professional customized services for groups and individuals.